Description

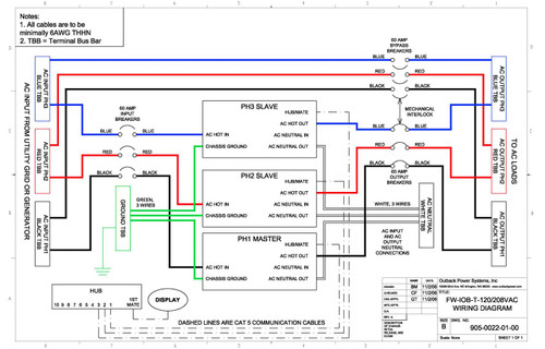
OutBack Power FW-IOB-T-120/208VAC Input-Output-Bypass
Input-Output-Bypass for FW1000-120/208VAC, output 60 Amp 21.6kW. Field installable kit for bypassing the AC input to the AC output for inverter maintenance or installation. Also provides over-current protection. Includes nine 60A 120VAC single pole DIN mount breakers, sliding bypass interlock plate, wire and hardware kit.

















































